एंगल स्टील बार
एंगल स्टील को संरचना की विभिन्न आवश्यकताओं के अनुसार विभिन्न तनाव-असर वाले घटकों से बनाया जा सकता है, और इसे घटकों के बीच कनेक्टर के रूप में भी इस्तेमाल किया जा सकता है।
इसका व्यापक रूप से विभिन्न भवन संरचनाओं और इंजीनियरिंग संरचनाओं में उपयोग किया जाता है, जैसे कि हाउस बीम, पुल, ट्रांसमिशन टावर, उठाने और परिवहन मशीनरी, जहाज, औद्योगिक भट्टियां, प्रतिक्रिया टावर, कंटेनर रैक, गोदाम शेल्फ इत्यादि।
विवरण
एंगल स्टील एक कार्बन संरचनात्मक स्टील है जिसका उपयोग निर्माण में किया जाता है। यह एक साधारण क्रॉस-सेक्शन स्टील सामग्री है। इसका उपयोग मुख्य रूप से धातु घटकों और कारखाने के निर्माण फ्रेम के लिए किया जाता है। इसके उपयोग के दौरान अच्छी वेल्डेबिलिटी, प्लास्टिक विरूपण प्रदर्शन और कुछ यांत्रिक शक्ति की आवश्यकता होती है। एंगल स्टील उत्पादन के लिए कच्चा माल बिलेट एक कम कार्बन वर्गाकार स्टील बिलेट है, और तैयार एंगल स्टील को हॉट-रोल्ड, सामान्यीकृत या हॉट-रोल्ड अवस्था में वितरित किया जाता है।
संपत्ति एवं विशिष्टता
अच्छी वेल्डेबिलिटी
प्लास्टिक विरूपण गुण
आयाम |
10*10मिमी-200*200मिमी |
मानक |
जीबी एएसटीएम, जेआईएस, एसयूएस, डीआईएन, एन आदि |
सामग्री |
Q195-Q420 श्रृंखला |
तकनीक |
गरम वेल्लित |
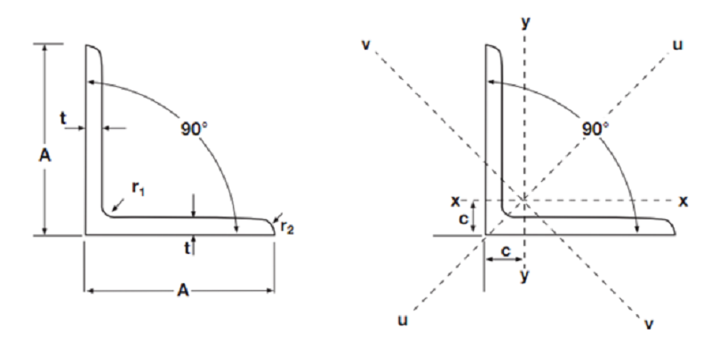
आम तौर पर उपयोग किए जाने वाले कोण स्टील विनिर्देशों को साइड चौड़ाई × साइड चौड़ाई × साइड मोटाई के साथ मिलीमीटर में व्यक्त किया जाता है, जैसे "∟30×30×3", जिसका अर्थ है 30 मिमी की साइड चौड़ाई और 3 मिमी की साइड मोटाई के साथ समबाहु कोण स्टील।
इसे मुख्य रूप से दो प्रकारों में विभाजित किया गया है: समबाहु कोण स्टील और असमान कोण स्टील। उनमें से, असमान कोण स्टील को दो प्रकारों में विभाजित किया जा सकता है: असमान भुजाएँ और समान मोटाई, और असमान भुजाएँ और असमान मोटाई।
एंगल स्टील की विशिष्टताएं साइड की लंबाई और साइड की मोटाई के आयामों द्वारा व्यक्त की जाती हैं। वर्तमान में, घरेलू कोण स्टील विनिर्देश 2 से 20 तक होते हैं, जिसमें साइड लंबाई के सेंटीमीटर की संख्या होती है। एक ही कोण वाले स्टील में अक्सर 2 से 7 अलग-अलग साइड की मोटाई होती है।
आम तौर पर, जिनकी भुजा की लंबाई 1-2.5 सेमी या अधिक होती है वे बड़े कोण वाले स्टील होते हैं, जिनकी भुजा की लंबाई 1-2.5 सेमी-5 सेमी होती है वे मध्यम आकार के कोण वाले स्टील होते हैं, और जिनकी भुजा की लंबाई 5 सेमी से कम होती है। छोटे-कोण वाले स्टील हैं।
एंगल स्टील की डिलीवरी लंबाई को दो प्रकारों में विभाजित किया गया है: निश्चित लंबाई और दोहरी लंबाई। घरेलू कोण स्टील की निश्चित लंबाई चयन सीमा विनिर्देश संख्या के आधार पर 3 से 9 मीटर तक होती है।
चार रेंज: 4-12 मीटर, 4-19 मीटर, 6-19 मीटर।
असमान-कोण स्टील की क्रॉस-अनुभागीय ऊंचाई की गणना असमान-कोण स्टील की लंबी तरफ की चौड़ाई के अनुसार की जाती है।
पैकिंग एवं डिलिवरी




